Address 304 North Cardinal St. Dorchester Center, MA 02124
Work Hours Monday to Friday: 7AM - 7PM Weekend: 10AM - 5PM
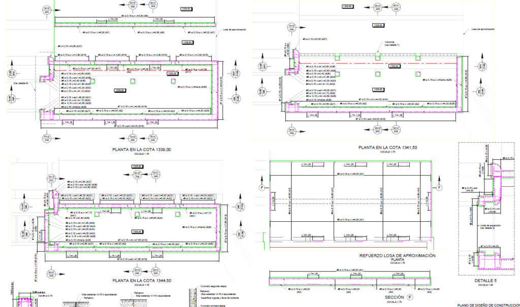
Industria y energía
Captación lateral PCH Guanes
La estructura de captación lateral es una estructura diseñada para permitir el ingreso del agua a través de una losa coladera, la cual retiene sedimentos permitiendo la entrada de agua limpia a la captación. Esta estructura cuenta con 4 aberturas, por las cuales ingresa el nivel de agua requerido para la operación del sistema. La estructura de captación está conformada por una retícula de muros perimetrales con 4 aberturas para la entra de agua, y dos aberturas adicionales para el ingreso del caudal al túnel de aducción y para el caudal ambiental.
Normas aplicables
Reglamento Colombiano de Construcción Sismo Resistente, NSR-10.
Recomendaciones para requisitos sísmicos de estructuras diferentes a edificaciones (AIS-180-13).
Requisitos de Reglamento para Concreto Estructural (ACI-318).
Código para Estructuras de Concreto de Ingeniería Ambiental y Comentario (ACI-350-06).
💬¿Necesitas ayuda? Chatea con nosotros
👋 ¡Hola! Gracias por contactar a FORJA DESIGN SOLUTIONS SAS. ¿Quieres cotizar, revisar planos o resolver una duda técnica? Te leemos.